??簲????????????????????????????飬??????·???????????????????????????????????м???????????????????????????????????
???????
??????????????????????????????????????????????????????????????RS485?????MODBUS?????????????PLC??????????????????????HMI??????????????RS485??????????????????????????
2.3.1???????·
??????????????????????????????????????????????????????????????RS485???2??????MODBUS????????????????????PLC??????????????????

?2-1 ???????·
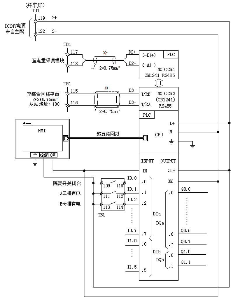
2.3.2??????????·
PLC?????????RS485??????????????????????????????????????????HMI??????HMI??????????????????????????????????????PLC??????????????????RS485???????????????????????????????????

?2-2 ??????????·
2.3.3??????????
??簲??????????????????????????????????????????????????????????????????????????????????????????????й??????????????????????????????????????????????????????????????27???????????????????????????????????3??????????????????????????????????????????????????з????

?2-3 ??????????